Breaking

Wednesday, June 17, 2020

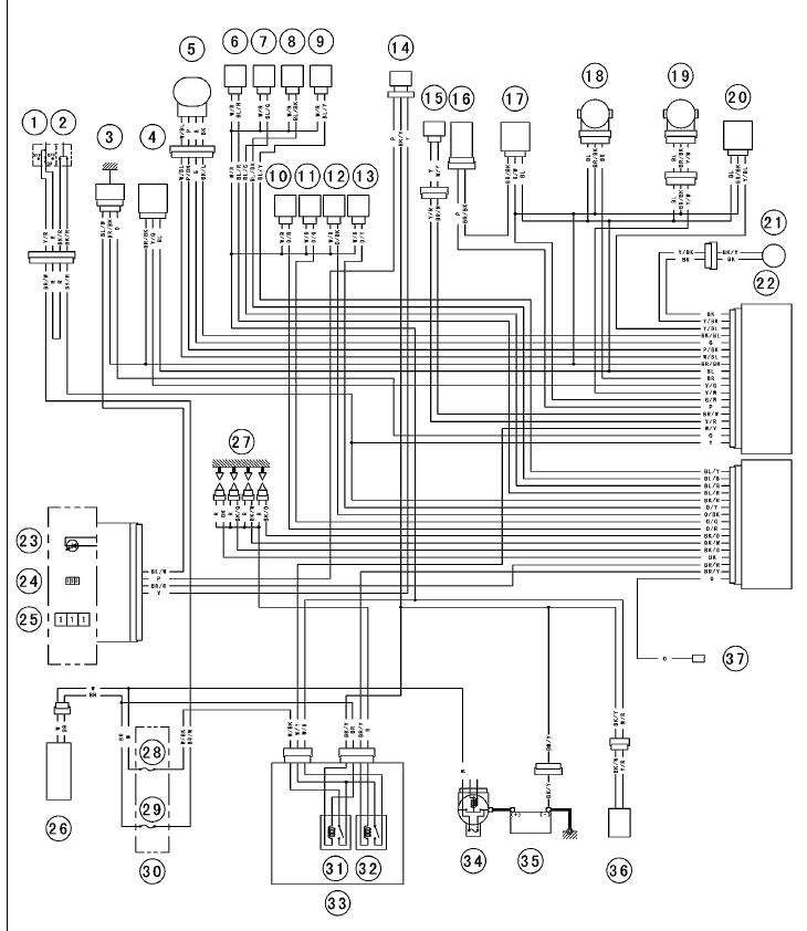
Book Info Wiring Diagram On 05 Zx10R

Book Info Wiring Diagram On 05 Zx10R. All images, charts, etc are as they were. Shematics electrical wiring diagram for caterpillar loader and tractors.

Diagram 2004 Zx10r Wiring Diagram Full Version Hd Quality Wiring Diagram Maya Diagram Radd Fr
Diagram 2004 Zx10r Wiring Diagram Full Version Hd Quality Wiring Diagram Maya Diagram Radd Fr from i2.wp.com

I am trying to figure out what wires are what on my 95 integras ignition switch. Woolich racing kawasaki zx10r ecu flashing products allow you to tune the maps and settings in the kawasaki zx10r ecu. Renault clioiii x85_nt8483_visu v5.0_2009.05.18 wiring diagram.rar. Cct for 2014 zx 10r. All images, charts, etc are as they were. Kawasaki zx550 zx 550 electrical wiring harness diagram schematic here. Hi, gravytrain_3 for this scenario you will need your service manual that has all fastener torque specs and a wiring diagram on the back pages, parts fiche, and owners manual if you can't find the best tool you ever bought for your kawasaki. How i ran my wires on the zx10r using oem lighting cable and battery tender pigtail and usb charger. Zx10r service and race manuals (permanently rehosted). Dongguan yujie electronic technology co., ltd. Confirmation of pinout on 05 zx10r How to open the pasnanger set. Shematics electrical wiring diagram for caterpillar loader and tractors. Page 58wiring diagram (with kit meter) 56. Wiring diagram (with original meter assembly). Need a picture of a clutch basket filled with steel plates and friction plates in a 2015 kawasakizx 10r. Posted by matt on 11th jul 2018.

This is not lonesome about the perfections that we will offer. This is as well as not quite what things that you can matter later to make augmented concept. following you have interchange concepts later than this book, this is your mature to fulfil the impressions by reading all content of the book. RTF Book Info Wiring Diagram On 05 Zx10R is as well as one of the windows to attain and entry the world. Reading this sticker album can back up you to locate further world that you may not locate it previously.

Wiring diagram (with original meter assembly).

Hi, gravytrain_3 for this scenario you will need your service manual that has all fastener torque specs and a wiring diagram on the back pages, parts fiche, and owners manual if you can't find the best tool you ever bought for your kawasaki. Refer to the motor manufacturer's data on the motor for wiring diagrams on standard frame ex e, ex d etc. Zx10r service and race manuals (permanently rehosted). The part worked great and fixed my issue with my wifes bike.


No comments:

Post a Comment